관련링크
본문
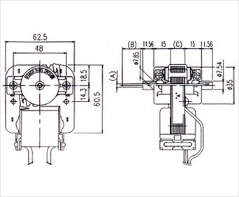
IS-23TYPE
Compressor Cooling 또는 Condenser Cooling용으로 사용및 기타범용으로 장수명(연속 20,000hr 이상), 저소음
;
;
▣ Characteristics
| TYPE | NO LOAD | DIMENSION | INS. CLASS |
WATER PROOF |
|||||||
| V | Hz | Pi(W) | RPM | TORQUE(kg.cm) | (A) (φ) |
(B) (mm) |
(C) (mm) |
||||
| MAXIMUM TORQUE |
STARTING TORQUE |
||||||||||
| 23210 | 110~240 | 50 | 6.5~15.5 | 2750~2900 | 0.042~0.200 | 0.055~0.100 | φ2.5 φ3.0 φ3.17 φ4.0 |
10 | A,E,B | X | |
| 23210 | 60 | 5.5~14.0 | 3450~3500 | 0.033~0.150 | 0.032~0.090 | 10 | A,E,B | X | |||
| 23211 | 50 | 6.5~15.5 | 2700~2900 | 0.050~0.230 | 0.042~0.105 | 11 | A,E,B | X | |||
| 23211 | 60 | 5.5~14.5 | 3200~3400 | 0.033~0.173 | 0.032~0.094 | 11 | A,E,B | X | |||
| 23213 | 50 | 6.0~16.0 | 2700~2800 | 0.055~0.260 | 0.050~0.115 | 13 | A,E,B | X | |||
| 23213 | 60 | 6.1~15.5 | 3300~3400 | 0.043~0.210 | 0.045~0.097 | 13 | A,E,B | X | |||
| 23215 | 50 | 9.5~17.0 | 2800~2950 | 0.130~0.280 | 0.105~0.120 | 15 | A,E,B | X | |||
| 23215 | 60 | 9.0~16.0 | 3300~3500 | 0.105~0.230 | 0.065~0.110 | 15 | A,E,B | X | |||



HOME > 제품소개 > AC Fan Motor >