관련링크
본문
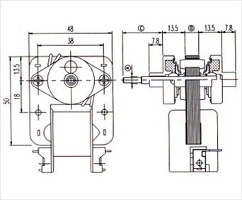
IS-2TYPE
냉장고 냉기순환용(냉장실)으로 사용되며 저풍량, 저입력, 저소음
;
;
▣ Characteristics
| TYPE | NO LOAD | DIMENSION | INS. CLASS |
WATER PROOF |
|||||||
| V | Hz | Pi(W) | RPM | TORQUE(kg.cm) | (A) (φ) |
(B) (mm) |
(C) (mm) |
||||
| MAXIMUM TORQUE |
STARTING TORQUE |
||||||||||
| 2208 | 110~240 | 50 | 5~8 | 2700~2850 | 0.011~0.029 | 0.007~0.029 | φ4 |
8 | A,E,B | X | |
| 2208 | 60 | 4.5~8 | 3250~3500 | 0.010~0.038 | 0.009~0.037 | 8 | A,E,B | X | |||
| 2210 | 50 | 6~11 | 2700~2850 | 0.013~0.036 | 0.013~0.036 | 10 | A,E,B | X | |||
| 2210 | 60 | 6~11 | 3250~3500 | 0.012~0.043 | 0.010~0.024 | 10 | A,E,B | X | |||
| 2215 | 50 | 6~13 | 2700~2850 | 0.013~0.100 | 0.013~0.085 | 15 | A,E,B | X | |||
| 2215 | 60 | 6~13 | 3250~3500 | 0.013~0.105 | 0.013~0.090 | 15 | A,E,B | X | |||
| 2220 | 50 | 7~15 | 2700~2850 | 0.015~0.172 | 0.015~0.108 | 20 | A,E,B | X | |||
| 2220 | 60 | 7~15 | 3250~3500 | 0.016~0.114 | 0.016~0.095 | 20 | A,E,B | X | |||
| 2225 | 50 | 10~15 | 2700~2850 | 0.045~0.350 | 0.045~0.260 | 25 | A,E,B | X | |||
| 2225 | 60 | 10~15 | 3250~3500 | 0.108~0.225 | 0.069~0.199 | 25 | A,E,B | X | |||
| 2230 | 50 | 13~55 | 2700~2850 | 0.058~0.375 | 0.047~0.295 | 30 | A,E,B | X | |||
| 2230 | 60 | 13~55 | 3250~3500 | 0.087~0.324 | 0.071~0.231 | 30 | A,E,B | X | |||



HOME > 제품소개 > AC Fan Motor >